ISO-NE Planners Outline Potential Solutions for 2050 Tx Overloads
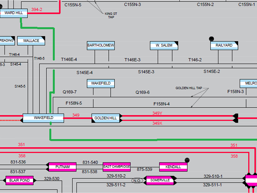
One potential transmission solution to accommodate high flows into the Boston area under both summer and winter peak conditions is the installation of a 345-kV AC line from Ward Hill-Wakefield Junction-Mystic (shown in green). | ISO-NE
Apr 23, 2023
|
ISO-NE is studying line upgrades and new 345-kV and HVDC lines to address expected reliability violations in its 2050 Transmission Study.



